ترانسفورماتور جریان سی تی
ترانسفورماتور جریان الکتریکی Ct ریخته گری رزین
  • ترانسفورماتور جریان الکتریکی Ct ریخته گری رزینترانسفورماتور جریان الکتریکی Ct ریخته گری رزین
  • ترانسفورماتور جریان الکتریکی Ct ریخته گری رزینترانسفورماتور جریان الکتریکی Ct ریخته گری رزین

ترانسفورماتور جریان الکتریکی Ct ریخته گری رزین

Wenzhou XiFa Electric Power Equipment Co., Ltd یک تولید کننده حرفه ای برای تولید ترانسفورماتور جریان ct الکتریکی ریخته گری رزین است که در تابلو برق 10 تا 35 کیلو ولت استفاده می شود. در Wenzhou XiFa، تیم تولید کننده، رزین اپوکسی را در محیط خلاء برای حذف حباب‌های کنار ترانسفورماتور جریان و جلوگیری از تخلیه جزئی روی سطح، ریخته‌گری می‌کند. در همین حال، ترانسفورماتور جریان ct الکتریکی ریخته گری رزین به عنوان ساختار عایق چند لایه برای دستیابی به عملکرد بهتر در مقاومت ولتاژ و پایداری طولانی مدت طراحی شده است.

ترانسفورماتور جریان ct الکتریکی ریخته گری رزین یک واحد داخلی، رزین اپوکسی، ریخته گری خلاء، پست نوع است که برای سیستم های قدرت سطح ولتاژ 10 کیلو ولت با فرکانس نامی 50 هرتز طراحی شده است. در درجه اول برای اندازه گیری جریان، اندازه گیری انرژی و رله حفاظتی استفاده می شود.

ترانسفورماتور جریان ct الکتریکی ریخته گری رزین یک فرآیند ریخته گری رزین اپوکسی کاملاً محصور را اتخاذ می کند که در آن هسته از مواد مغناطیسی با درجه بالا ساخته شده است و هر دو سیم پیچ اولیه و ثانویه همراه با هسته در رزین تعبیه شده اند. این ساختار عملکرد عالی در عایق، مقاومت در برابر رطوبت و مقاومت در برابر آلودگی را ارائه می دهد. سطح ترانسفورماتور جریان ct الکتریکی ریخته گری رزین نیازی به پوشش اضافی ندارد و ترانسفورماتور جریان را می توان در موقعیت های مختلف نصب کرد.

این محدوده هم کلاس های اندازه گیری مانند 0.2S و 0.5S و کلاس های حفاظتی مانند 10P10 و 10P20 را پوشش می دهد. یک طرح چند نسبت روی یک ترانسفورماتور جریان الکتریکی ct ریخته گری رزینی موجود است تا برای استفاده در تابلوهای الکتریکی با روکش فلزی مناسب باشد.

Resin Cast Electrical Ct Current TransformerResin Cast Electrical Ct Current Transformer

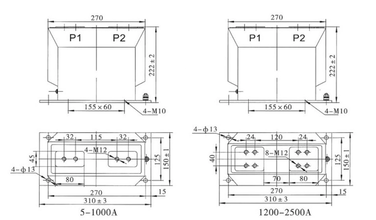
مشخصات فنی:

تایپ کنید جریان درجه بندی اولیه (A) کلاس دقت کلاس دقت و خروجی رتبه cosΦ=0.8 جریان حرارتی زمان کوتاه (kA/S) جریان دینامیکی نامی (kA)
0.2 (s) 0.5 (s) 10P10 10P15 10P20
LZZBJ9-10 5-150 0.2s/0.5 0.2s/10P 0.2/10P 0.5s/10P 0.5/10P 10 10 15 15 10 100I1n 250I1n
200-300 31.5 80
400-500 45 112
600-1000 63 130
1200-1500 80 160
2000-2500 100 180

Resin Cast Electrical Ct Current Transformer

سوالات متداول محصول:

س: هنگام انتخاب ترانسفورماتور جریان ct الکتریکی ریخته گری رزین، چه پارامترهای فنی را باید بررسی کرد؟

الف: هنگام انتخاب پارامترهای کلیدی زیر باید بررسی شوند:

1. کلاس دقت: برای اندازه گیری/اندازه گیری (به عنوان مثال 0.2s یا 0.5) و اهداف حفاظتی (مانند 10P10، 5P10، و غیره).

2. جریان اولیه و جریان ثانویه نامی (نسبت تبدیل).

3. جریان حرارتی کوتاه مدت (Ith) و ظرفیت تحمل جریان کوتاه مدت (برای شرایط خطا).

4. سطوح عایق (مقاومت در برابر ولتاژ، رتبه ولتاژ ضربه و غیره).

5. تحمل های محیطی: محدوده دما، ارتفاع، رطوبت، سطح آلودگی.

6. بار: بار VA ثانویه باید بدون دقت حرکت کند.

س: ترانسفورماتورهای جریان ct الکتریکی ریخته گری رزین به ویژه در چه محیط ها یا کاربردهایی مناسب هستند؟

A: محیط یا کاربرد زیر برای ترانسفورماتور جریان الکتریکی ct ریخته گری رزین مناسب است:

1. تابلو برق داخلی، که در آن فضا محدود است و عایق کاری بسیار مهم است.

2- در محیط های خشن یا آلوده (گرد و غبار، رطوبت، مواد شیمیایی) که در آن قطعات باز یا روغن ممکن است تخریب شوند.

3. در مدارهای اندازه گیری و حفاظتی که نیاز به اندازه گیری دقیق و پایدار در دوره های طولانی دارند.

4. برنامه هایی که در آنها نگهداری کم و قابلیت اطمینان بالا مهم است.

تگ های داغ: تامین کننده ترانسفورماتور جریان ریخته گری رزین، تولید کننده ترانسفورماتور سی تی برقی، عمده فروشی ترانسفورماتور سی تی سفارشی
ارسال استعلام
اطلاعات تماس
  • نشانی

    پلاک 391، جاده Jingqi، منطقه صنعتی Yanpan، شهر Yueqing، استان ژجیانگ، چین

  • پست الکترونیک

    info@xifaele.com

برای دریافت نقل قول خود در اسرع وقت

XiFa تامین کننده تجهیزات الکتریکی قابل اعتماد شما است
X
ما از کوکی ها استفاده می کنیم تا تجربه مرور بهتری به شما ارائه دهیم، ترافیک سایت را تجزیه و تحلیل کنیم و محتوا را شخصی سازی کنیم. با استفاده از این سایت، شما با استفاده ما از کوکی ها موافقت می کنید. سیاست حفظ حریم خصوصی
رد کردن قبول کنید