ترانسفورماتور جریان سی تی
نوع زخم 5p10 5p20 Ct 100 150 400 5a
  • نوع زخم 5p10 5p20 Ct 100 150 400 5aنوع زخم 5p10 5p20 Ct 100 150 400 5a

نوع زخم 5p10 5p20 Ct 100 150 400 5a

برای تامین ترانسفورماتورهای بالقوه و ترانسفورماتورهای جریان با کیفیت بالا، Wenzhou XiFa Electric Power Equipment Co., Ltd از خدمات سفارشی به مشتریانی مانند تولید و عرضه زخم نوع 5p10 5p20 ct 100 150 400 5a پشتیبانی می کند. در WenZhou XiFa electric، تیم تولید کننده موجودی ترانسفورماتور جریان معمولی، مانند ترانسفورماتور جریان 100/5a 10p10 0.5 را نگه می دارد تا از تحویل سریع اطمینان حاصل شود. با این حال، این شرکت از خدمات سفارشی برای پاسخگویی به تقاضای برق مختلف مانند ترانسفورماتور جریان عرضه که کلاس حفاظتی آن 5p10 یا 5p20 است، پشتیبانی می کند.

ترانسفورماتور جریان نوع زخمی برای اندازه گیری جریان قابل اعتماد و حفاظت در سیستم های قدرت ولتاژ متوسط ​​مانند 10kv 20kv و 35kv طراحی شده است. در نسبت‌های جریان 100/5A، 150/5A، و 400/5A و با کلاس‌های دقت حفاظتی 5P10 و 5P20 موجود است، این نوع زخم 5p10 5p20 ct 100 150 400 5a جریان‌های ثانویه دقیقی را ارائه می‌کند که هم برای کاربردهای مجدد مناسب است.

ترانسفورماتور جریان نوع زخمی که با هسته های مغناطیسی جامد و سیم پیچ های ثانویه تولید می شود، عملکرد پایدار را در شرایط اتصال کوتاه تضمین می کند و تبدیل جریان دقیق را حتی در هنگام رویدادهای گذرا ارائه می دهد. سیستم عایق قوی آن، که اغلب دارای رزین اپوکسی یا درجه بالا است، ایمنی، عمر طولانی و مقاومت در برابر رطوبت و استرس محیطی را تضمین می کند.

طراحی نوع زخم اجازه نصب انعطاف پذیر در تابلو برق، تابلوهای کنترل و تابلوهای توزیع را می دهد تا پشتیبانی قابل اعتمادی برای طرح های حفاظت رله فراهم کند. ترانسفورماتور جریان نوع زخمی برای کارخانجات صنعتی، تاسیسات تجاری و شبکه های توزیع برق که در آن اندازه گیری دقیق و قابل اعتماد جریان برای نظارت عملیاتی و کنترل حفاظتی ضروری است، ایده آل است.

Wound Type 5p10 5p20 Ct 100 150 400 5a

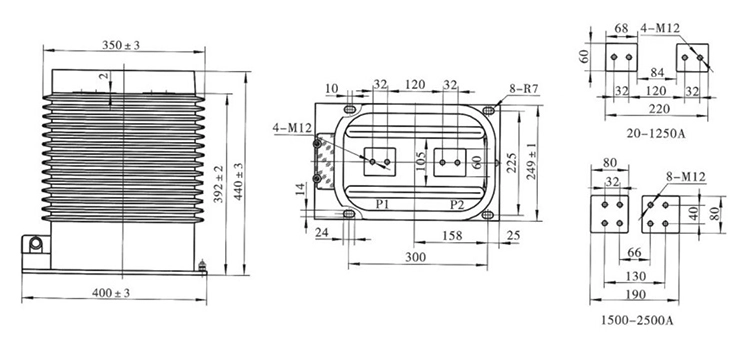
مشخصات فنی:

تایپ کنید جریان درجه بندی اولیه (A) کلاس دقت کلاس دقت و خروجی رتبه cosΦ=0.8 جریان حرارتی زمان کوتاه (kA/S) جریان دینامیکی نامی (kA)
0.2 (s) 0.5 (s) 10P10
LZZBJ9-35 20-100 0.2/0.2 0.2/0.5 0.2/5P20 0.5/5P20 0.2/0.5/5P 0.2/5P/5P 10 10 15 150I1n 375I1n
150-200 31.5 80
300-500 31.5/2 80
600-1250 15 30 20 31.5/4 80
1500-2000 20 40 30 40/4 125
2500 20 40 20 40/4 125


تایپ کنید جریان درجه بندی اولیه (A) کلاس دقت ظرفیت (VA) جریان حرارتی زمان کوتاه (kA/S) جریان دینامیکی نامی (kA)
LZZBJ9-35 10 0.2/10P10 0.5/10P10 0.2/5P20 0.5/5P20 0.2/0.5/10P10 0.2/0.5/5P20 0.2/10P10/5P20 0.5/10P10/5P20 15/20 20/20 15/20 20/20 15/20/20 15/20/20 15/20/20 20/20/20 1.5/1 3.75
20 2/1 5
30 3/1 7.5
40 4/1 10
50 5/1 12.5
75 7.5/1 18.75
100 10/1 25
150 15/1 37.5
200 20/1 50
300 31.5/1 80
400 31.5/2 80
500 31.5/2 80
600 31.5/2 80
800 31.5/3 80
1000 31.5/3 80
1200 31.5/3 80
1500 31.5/3 80
2000 31.5/3 80

Wound Type 5p10 5p20 Ct 100 150 400 5a

سوالات متداول محصول:

س: "نوع زخم 5P10" یا "5P20" در زخم نوع 5p10 5p20 ct 100 150 400 5a به چه معناست؟

A: اصطلاح "نوع زخم" به CTهایی اشاره دارد که در آن هادی اولیه یک سیم پیچی است نه یک شینه یا میله از طریق هسته. کلاس 5P10 یا 5P20 دقت حفاظت را نشان می دهد: 5P به معنای تا 5% خطا در جریان ثانویه نامی است و عدد 10 یا 20 حداکثر مضرب زمان کوتاه مجاز جریان اولیه نامی بدون تجاوز از خطای مشخص شده است.

س: چگونه رتبه CT صحیح را برای سیستم خود انتخاب کنم؟

A: یک CT را بر اساس حداکثر جریان بار و الزامات حفاظتی سیستم خود انتخاب کنید. به عنوان مثال، CT 100/5A برای مدارهایی با جریان معمولی در حدود 100 A مناسب است، در حالی که 400/5A برای فیدرهای با جریان بالاتر طراحی شده است. یک کلاس حفاظتی (5P10 یا 5P20) را با توجه به حساسیت تشخیص عیب رله و جریان اتصال کوتاه مورد انتظار انتخاب کنید.

س: چه شرایط محیطی می تواند زخم نوع 5p10 5p20 ct 100 150 400 5a باشد؟

A: این ترانسفورماتورهای جریان نوع زخمی معمولاً برای دمای محیط از -10 درجه سانتیگراد تا +40 درجه سانتیگراد با حداکثر ارتفاع 1000 متر درجه بندی می شوند. مواد مسکن و سیستم های عایق برای عملیات مقاوم در برابر رطوبت، گرد و غبار و آلودگی طراحی شده اند تا از عملکرد حفاظتی قابل اعتماد در تنظیمات صنعتی و تاسیساتی اطمینان حاصل کنند.




تگ های داغ: نوع زخم 5p10 5p20 Ct 100 150 400 5a، تامین کننده ترانسفورماتور جریان، عمده فروشی ترانسفورماتورهای اندازه گیری
ارسال استعلام
اطلاعات تماس
  • نشانی

    پلاک 391، جاده Jingqi، منطقه صنعتی Yanpan، شهر Yueqing، استان ژجیانگ، چین

  • پست الکترونیک

    info@xifaele.com

برای دریافت نقل قول خود در اسرع وقت

XiFa تامین کننده تجهیزات الکتریکی قابل اعتماد شما است
X
ما از کوکی ها استفاده می کنیم تا تجربه مرور بهتری به شما ارائه دهیم، ترافیک سایت را تجزیه و تحلیل کنیم و محتوا را شخصی سازی کنیم. با استفاده از این سایت، شما با استفاده ما از کوکی ها موافقت می کنید. سیاست حفظ حریم خصوصی
رد کردن قبول کنید