ترانسفورماتور جریان سی تی
نوع دونات ترانسفورماتور جریان Ct توالی صفر
  • نوع دونات ترانسفورماتور جریان Ct توالی صفرنوع دونات ترانسفورماتور جریان Ct توالی صفر
  • نوع دونات ترانسفورماتور جریان Ct توالی صفرنوع دونات ترانسفورماتور جریان Ct توالی صفر

نوع دونات ترانسفورماتور جریان Ct توالی صفر

شرکت Wenzhou XiFa Electric Power Equipment Co., Ltd برای تولید یک دونات ترانسفورماتور جریان ct با کیفیت جامد توالی صفر، مواد اولیه را با کیفیت خوب و قیمت رقابتی اتخاذ می کند. در فرآیند سیم‌پیچ، Wenzhou XiFa از سیم مسی بدون اکسیژن استفاده می‌کند تا از رسانایی الکتریکی و استحکام مکانیکی برای هر نوع دونات ترانسفورماتور جریان سی‌تی توالی صفر اطمینان حاصل کند. در همین حال، در فرآیند تولید هسته، Wenzhou XiFa از ورق فولادی سیلیکونی با نفوذپذیری مغناطیسی بالا برای حفظ عملکرد عالی در پاسخ حساس به جریان توالی صفر کوچک استفاده می‌کند.

ترانسفورماتور جریان ct دنباله صفر یک چرخش تکی است که از طریق دستگاه هسته ای در سیستم های قدرت برای نظارت بر جریان های توالی صفر استفاده می شود. این به عنوان یک جزء حیاتی از سیستم های رله حفاظتی عمل می کند که در درجه اول برای تشخیص خطاهای زمین، جریان های نشتی و نظارت بر عایق استفاده می شود. با حس کردن مجموع بردار جریان‌های سه فاز و جریان توالی صفر حاصل، ترانسفورماتور جریان ct دنباله صفر می‌تواند عملیات حفاظتی را راه‌اندازی کند و با انتخابگرهای زمین جریان پایین، دستگاه‌های سرکوب کننده هارمونیک دیجیتال و واحدهای حفاظت رله برای ارائه هشدارهای خطا و قطع برق ارتباط برقرار کند.

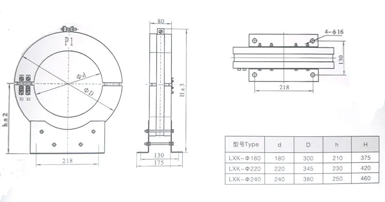
از نظر ساختاری، ترانسفورماتور جریان ct دنباله صفر شامل یک هسته حلقوی و سیم پیچ ثانویه است که درون یک محفظه رزین اپوکسی یا لاستیکی سیلیکونی محصور شده است، که مقاومت در برابر رطوبت و فلاش آلودگی را بر روی محافظت ارائه می دهد. گزینه‌های نصب عبارتند از جامد، که به کابل‌های از پیش عبور داده شده و طرح‌های هسته تقسیم‌شده نیاز دارد، که اجازه می‌دهد بدون جدا کردن کابل‌ها مقاوم‌سازی شود.

این دستگاه با سیستم های قدرت 50 هرتز سازگار است که حساسیت و خطی بودن مورد نیاز برای پیکربندی های مختلف نقطه خنثی، از جمله سیستم های زمینی و غیر زمینی را فراهم می کند. ترانسفورماتورهای جریان ct دنباله صفر به طور گسترده ای در شبکه های هوشمند، حمل و نقل ریلی، سیستم های الکتریکی ساختمان و نظارت بر تجهیزات صنعتی به کار می روند تا تشخیص خطا و حفاظت سیستم را ارائه دهند.

Zero Sequence Ct Current Transformer Donut TypeZero Sequence Ct Current Transformer Donut Type

تایپ کنید نوع رله روش اتصال ارزش مقیاس جریان اولیه تایپ کنید نوع رله روش اتصال ارزش مقیاس جریان اولیه
LXK-Φ80 LXK-Φ100 LXK-Φ120 LXK-Φ150 DD11/60 سری 15*1 2.4-4.5 LXK-Φ180 LXK-Φ220 LXK-Φ240 DD11/60 سری 15*1 2.4-4.5
30*1 30*1
موازی 15*2 3-5 موازی 15*2 3-5
30*2 30*2
DD1/60 سری 15*1 3-5 DD1/60 سری 15*1 3-5
30*1 30*1
موازی 15*2 3-6 موازی 15*2 3-6
30*2 30*2

Zero Sequence Ct Current Transformer Donut Type

سوالات متداول محصول:

س: ترانسفورماتور جریان ct دنباله صفر نوع دونات چیست؟

ترانسفورماتور جریان سی تی توالی صفر نوع دونات یک دستگاه هسته ای است که برای تشخیص جریان های توالی صفر در سیستم های سه فاز طراحی شده است. هسته حلقوی آن به هادی اولیه اجازه می دهد تا از مرکز عبور کند و نظارت غیرقابل نفوذی از خطاهای زمین، جریان های نشتی و شرایط عایق را فراهم می کند.

س: سیگنال خروجی ترانسفورماتور جریان ct دنباله صفر دونات چگونه است؟

الف: ترانسفورماتور جریان توالی صفر ct نوع دونات، جریان توالی صفر را با استفاده از سیم پیچی با دقت بالا و فناوری سیم پیچ Rogowski به یک ولتاژ متناسب یا جریان ثانویه تبدیل می کند. این خروجی با رله ها، مترها و سیستم های مانیتورینگ برای تشخیص سریع و دقیق عیب سازگار است.

س: کاربردهای معمول ترانسفورماتور جریان سی تی توالی صفر نوع دونات چیست؟

A: ترانسفورماتور جریان ct دنباله صفر نوع دونات معمولاً در موارد زیر استفاده می شود:

1. حفاظت از خطای زمین و تشخیص جریان نشتی.

2. پایش نقطه خنثی در سیستم های توزیع برق.

3. یکپارچه سازی با رله های حفاظتی دیجیتال، دستگاه های سرکوب هارمونیک و سیستم های نظارت شبکه هوشمند.

4. تجهیزات صنعتی، شبکه های برق ساختمان و سیستم های حمل و نقل ریلی.




تگ های داغ: ترانسفورماتور جریان سی تی توالی صفر، CT نوع دونات، ترانسفورماتور حفاظت از خطای زمین
ارسال استعلام
اطلاعات تماس
  • نشانی

    پلاک 391، جاده Jingqi، منطقه صنعتی Yanpan، شهر Yueqing، استان ژجیانگ، چین

  • پست الکترونیک

    info@xifaele.com

برای دریافت نقل قول خود در اسرع وقت

XiFa تامین کننده تجهیزات الکتریکی قابل اعتماد شما است
X
ما از کوکی ها استفاده می کنیم تا تجربه مرور بهتری به شما ارائه دهیم، ترافیک سایت را تجزیه و تحلیل کنیم و محتوا را شخصی سازی کنیم. با استفاده از این سایت، شما با استفاده ما از کوکی ها موافقت می کنید. سیاست حفظ حریم خصوصی
رد کردن قبول کنید