ترانسفورماتور پتانسیل PT
ترانسفورماتور پتانسیل ولتاژ بالا 33kv
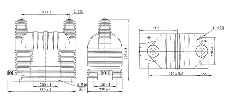
  • ترانسفورماتور پتانسیل ولتاژ بالا 33kvترانسفورماتور پتانسیل ولتاژ بالا 33kv

ترانسفورماتور پتانسیل ولتاژ بالا 33kv

Wenzhou XiFa Electric Power Equipment Co., Ltd یک تولید کننده با تجربه برای تولید ترانسفورماتور پتانسیل تک فاز ولتاژ بالا و ترانسفورماتور جریان 33kv است. Wenzhou XiFa از رزین با کیفیت بالا برای دستیابی به عملکرد بهتر در عایق استفاده می کند، مانند عملکرد طولانی مدت تحت ولتاژ بالا بدون خرابی یا تخلیه جزئی. هر ترانسفورماتور پتانسیل تک فاز ولتاژ بالا 33 کیلو ولت برای ریخته گری رزین اپوکسی در شرایط خلاء برای دستیابی به عمر مفید بیشتر تا 20 یا 30 سال ضروری است. قبل از تحویل، مشخصات فنی اولیه برای اندازه گیری مانند ولتاژ مقاومت فرکانس برق، تخلیه جزئی، مقاومت عایق، دقت، قطبیت و افزایش دما ضروری است.

ویژگی های محصول:

1. از نظر ساختاری، ترانسفورماتور پتانسیل تک فاز ولتاژ بالا 33kv را می توان به عنوان یک ترانسفورماتور قدرت پایین با ظرفیت کم و نسبت بالا در نظر گرفت. با این حال، برخلاف ترانسفورماتور قدرت،  aترانسفورماتور پتانسیلانرژی را برای تامین بار منتقل نمی کند. در عوض، نقش مهمی در اندازه گیری و حفاظت دارد.

2. مدار ثانویه به ابزارهای اندازه گیری، رله های حفاظتی و دستگاه های اتوماتیک متصل است که سیم پیچ های ولتاژ دارای امپدانس بسیار بالا و اساسا ثابت هستند. در نتیجه، جریان ثانویه حداقل است، مشابه شرایط بدون بار یک ترانسفورماتور قدرت. مصرف برق یک ترانسفورماتور پتانسیل تک فاز ولتاژ بالا 33 کیلوولت بسیار کم است و ولتاژ ثانویه عملاً برابر با EMF القایی است که توسط ولتاژ اولیه ثابت تعیین می شود. سطح دقت مورد نیاز برای اندازه گیری ولتاژ را تضمین می کند.

3. سیم پیچ ثانویه ترانسفورماتورهای پتانسیل هرگز نباید اتصال کوتاه داشته باشد. در حالت عادی، بار ترانسفورماتور پتانسیل تک فاز فشار قوی 33 کیلو ولت یک دستگاه امپدانس بالا است، اما در صورت وقوع اتصال کوتاه، تنها عامل محدود کننده امپدانس سیم پیچ است. این می تواند منجر به جریان اتصال کوتاه بیش از حد بالا شود و باعث خوانش نادرست کنتور، عملیات رله کاذب یا حتی آسیب دائمی به ترانسفورماتور قدرت شود.

4. پایانه هر دو سیم پیچ ثانویه و سیم پیچ توالی صفر باید به زمین باشد. در صورت عدم اتصال به زمین، یک خطا در سیستم اولیه می تواند ولتاژهای خطرناکی را در این سیم پیچ ها ایجاد کند که خطرات جدی برای ابزار متصل، رله ها و ایمنی پرسنل ایجاد می کند.

33kv High Voltage Single Phase Potential Transformer

مشخصات فنی:

تایپ کنید نسبت ولتاژ نامی (کیلو ولت) کلاس دقت کلاس دقت و خروجی رتبه cosΦ=0.8 حداکثر. خروجی (VA)
0.2 0.5 1 3
JDZ9-35Q 35/0.1 0.2 0.5 1 3 30 120 240 600 1200
35/0.1/0.1 0.2/0.2 (0.5) 30 30 N/A N/A 600
0.5/0.5 N/A 60

33kv High Voltage Single Phase Potential Transformer

سوالات متداول محصول:

س: بار نامی ترانسفورماتور پتانسیل تک فاز فشار قوی 33 کیلوولت چقدر است؟

A: بار نامی به طور کلی از 25 VA تا 200 VA بسته به کاربرد متغیر است. این دقت پایدار را برای ابزار اندازه گیری و رله های حفاظتی بدون بارگذاری بیش از حد ترانسفورماتور تضمین می کند.


س: ترانسفورماتور پتانسیل تک فاز ولتاژ بالا 33kv چگونه زمین می شود؟

A: سیم پیچ ثانویه معمولاً در یک نقطه به زمین متصل می شود تا پتانسیل مرجع حفظ شود و ایمنی تضمین شود. به جلوگیری از ولتاژ شناور و کاهش خطر شکست عایق کمک می کند.


س: آیا می توان یک PT تک فاز را برای اندازه گیری سه فاز وصل کرد؟

ج: البته. برای یک سیستم سه فاز، سه PT تک فاز را می توان به صورت ستاره یا مثلث باز متصل کرد، که بستگی به این دارد که آیا ولتاژ فاز به فاز و فاز به زمین نیاز به نظارت دارد یا خیر.




تگ های داغ: تامین کننده ترانسفورماتور پتانسیل فشار قوی 33 کیلو ولت، عمده فروشی ترانسفورماتور تک فاز فشار قوی، تولید کننده ترانسفورماتور پتانسیل صنعتی
ارسال استعلام
اطلاعات تماس
  • نشانی

    پلاک 391، جاده Jingqi، منطقه صنعتی Yanpan، شهر Yueqing، استان ژجیانگ، چین

  • پست الکترونیک

    info@xifaele.com

برای دریافت نقل قول خود در اسرع وقت

XiFa تامین کننده تجهیزات الکتریکی قابل اعتماد شما است
X
ما از کوکی ها استفاده می کنیم تا تجربه مرور بهتری به شما ارائه دهیم، ترافیک سایت را تجزیه و تحلیل کنیم و محتوا را شخصی سازی کنیم. با استفاده از این سایت، شما با استفاده ما از کوکی ها موافقت می کنید. سیاست حفظ حریم خصوصی
رد کردن قبول کنید